研究内容の紹介- リニアグループ
リニアモータは運動変換機構を用いず直線運動を得られる利点を活かし,産業用装置・搬送装置・民生品から鉄道に至るまで幅広く応用展開されています。
当研究室では,次代のリニア発電・リニアアクチュエータ技術の確立とシステム高効率化を目指し,電気系と機械系を連成しながら研究を進めています。
また,リニア鉄道や核融合など超電導機器への応用に向けて,超電導磁石の性能向上を目指した材料開発を進めています。
フリーピストン発電機
自動車や航空機のシリーズハイブリッドパワートレインへの応用を目指し,フリーピストン発電機の研究開発を進めています。
本システムは,エンジンの往復運動をリニア発電機でダイレクトに発電でき,クランク機構を省略できることから機械損失低減に有効です。
さらに,インバータを利用してピストン運動を制御することで,エンジンの熱効率やエミッション低減などにも有効です。
当研究室では,数値計算ソフトウェア・電磁界解析ソフトウェアと実機検証を組み合わせたモデルベースデザインを進め,システム高効率化と実用化を目指します。
[1] "Operation Range of Intermittent Velocity Control for Improving Top-Dead-Center Accuracy in Dual-Sided Free-Piston Engine Linear Generator", Mitsuhide Sato, et.al., IEEE Access, vol.11, pp.129331-129339, 2023
[2] 「フリーピストンリニア発電機における可変圧縮比燃焼のシミュレーション検証」,早川 恭祐, 佐藤 光秀 他,電気学会リニアドライブ研究会,LD-25-029,2025
熱音響発電機
工場内の廃熱を利用して発電する熱音響発電機が注目されています。熱音響機関で発生した音波振動でリニア発電機の可動子を往復運動させて発電を行います。
熱音響機関とリニア発電機を組み合わせるには,複雑な音響・機械・電気の各インピーダンスを整合する必要があります。当研究室では,インバータを用いたベクトル制御を活用することで整合条件の簡略化を目指し,解析や実験を進めています。
[1]「熱音響発電機にベクトル制御を適用した場合の機器定数の決定法」,市河 俊弥,佐藤 光秀 他,電気学会リニアドライブ研究会,LD-26-005,2026
超電導
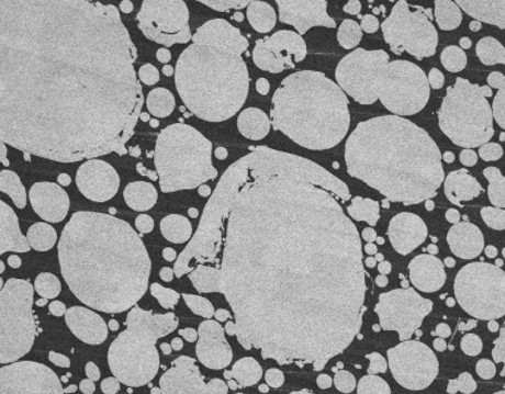
磁性コンポジットは粒子径が数μmの軟磁性粉をバインダ樹脂の中に分散配合した材料です。磁性粉同士は絶縁されており鉄損がかなり小さいことから,磁性コンポジットに変動磁界が作用しても発熱がほとんどありません。
当研究室では,超電導体の周囲に磁性コンポジットを配置することで,超電導体への磁束侵入を抑制し,臨界電流やN値向上などの超電導性能を向上させる技術を開発しています。
[1] "Increase of Superconducting Critical Current by Coating of Magnetic Composite Sheet to High Temperature Superconducting Tape", Haruka Ide, Mitsuhide Sato, et,al., IEEE Transactions on Applied Superconductivity, vol.35, no.9, pp.1-8, 2025
[2]「磁性コンポジットシート配置形状が高温超電導線材の超電導特性へ与える影響」,井出 遥,佐藤 光秀 他,電気学会リニアドライブ研究会,LD-26-022,2026


